Разработка рабочего проекта
Рабочий проект — это финальный комплект проектной документации, по которому выполняются строительные и монтажные работы. Он содержит чертежи, схемы, расчёты, спецификации и сметы, оформленные в соответствии с законодательными требованиями и согласованные с контролирующими органами. Наша команда разрабатывает рабочие проекты с учётом всех технических и эксплуатационных особенностей объекта.
Что включает рабочий проект
Рабочий проект отражает весь состав и объём работ по строительству, реконструкции или техническому перевооружению объекта. Это основной документ для подрядчиков, поставщиков оборудования и технадзора. Он нужен как для новых, так и для существующих объектов.
Основные разделы проекта
-
Пояснительная записка с описанием инженерных решений
-
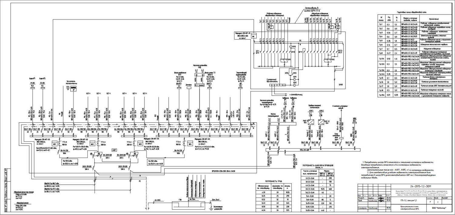
Чертежи и схемы первичных и вторичных соединений
-
Однолинейные схемы электроснабжения
-
Разделы ЭО, ЭМ, ЭТ, ЭС, ЭН, ЭНиР
-
Спецификации оборудования, материалов, кабельных изделий
-
Кабельные журналы, планы трасс, схемы подключения
-
Графики производства работ, ППР, ПБ
-
Сметная документация
Объекты, для которых мы разрабатываем рабочие проекты
-
Электроподстанции различного класса напряжения
-
Линии электропередачи (кабельные и воздушные)
-
Внутренние инженерные системы (освещение, электроснабжение, заземление)
-
Объекты гражданского и промышленного строительства
-
Временное электроснабжение стройплощадок
-
Энергоснабжение объектов ВИЭ (ветровые и солнечные станции)
Преимущества нашей компании
-
Подробная проработка технических решений на основе технических условий
-
Соблюдение требований ГОСТ, СНиП, ПУЭ, СП и нормативов KEGOC
-
Согласование с сетевыми и надзорными организациями
-
Гарантированное прохождение экспертизы проектной документации
-
Быстрые сроки выполнения и прозрачная стоимость
Перейти в другие разделы:
- Инженерные изыскания для ВЛ
- Проект ВЛ 35 кВ
- Проектирование воздушной линии 110 кВ
- Проект строительства сетей
- Проектирование ЛЭП
- Проектирование трансформаторной подстанций
- Проектирование ОРУ 110
- Профессиональное проектирование в электроэнергетике
- Проектирование кабельных линии
- Проектирование ПС-220 кВ
- Проектное решение для электроснабжения
- Услуги топографических изысканий
- Проектирование внутренних инженерных систем
- Проектирование ОРУ 10
- Проектирование газопоршневых электростанций
яяяяяяяяя

